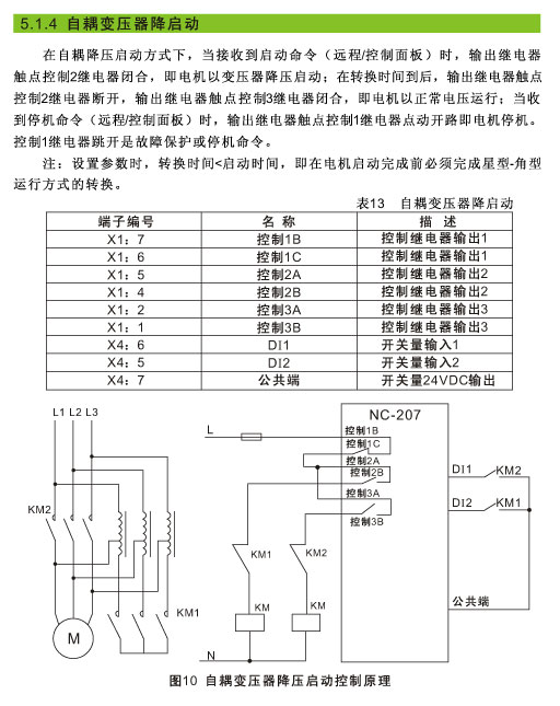
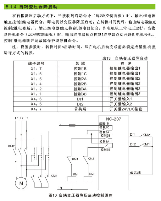
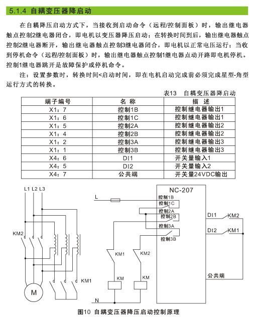
NC-207低压电动机智能保护控制器
NC-206电机控制装置
WJD-CS-100FM智能保护监控装置
WJD-YD-50A电动机智能监控器
WJB+1E-100FM智能保护监控器
WJB+50A电动机综合保护器
JDB-YE+100F微机低压电动机保护器
JDB-SR+100A电动机综合保护装置
WJD系列智能型电动机保护器
WJD-Y(50A)电动机智能保护器
WJD电机智能监控保护器
WJD-YD-100A电动机智能保护器
电机智能监控保护器
WJD电动机智能监控器
YDBT-WJ-100A电动机智能监控器
WJD-YS(50A)电动机智能监控器
ZJJ-3SA直流绝缘监察继电器
ZJJ-5SA直流绝缘监察继电器
DX-2SC闪光继电器
JSSZ-100时间继电器
JSZD-1C直流电压继电器
ZJJ-2直流绝缘监察继电器
您当前位置:首页 >> 产品展示
NC-207低压电动机智能保护控制器
关于我们
|
新闻中心
|
产品展示
|
下载专区
|
在线咨询
|
企业荣誉
|
联系我们
版权所有:苍南盛泰电子科技有限公司 地址:苍南县灵溪镇工业园区 邮编:325800 联系人:杨思参
手机:13706625311 销售服务热线:0577-68705988 技术咨询热线:0577-68705922 传真:0577-68705918
E-mail:
zjcangsheng@163.com
你是第730823位访客